97在线观看|国产视频一区二区视频|亚洲综合第一|万凰之王国语电视剧全集在线观看,八佰电影免费高清完整版在线观看,放逐电影国语高清完整版在线观看,以暴制暴电影完整版在线观看

您好!歡迎進入泰安德美官方網站
泰安德美機電設備有限公司

專注生產溫度校準實驗設備領域

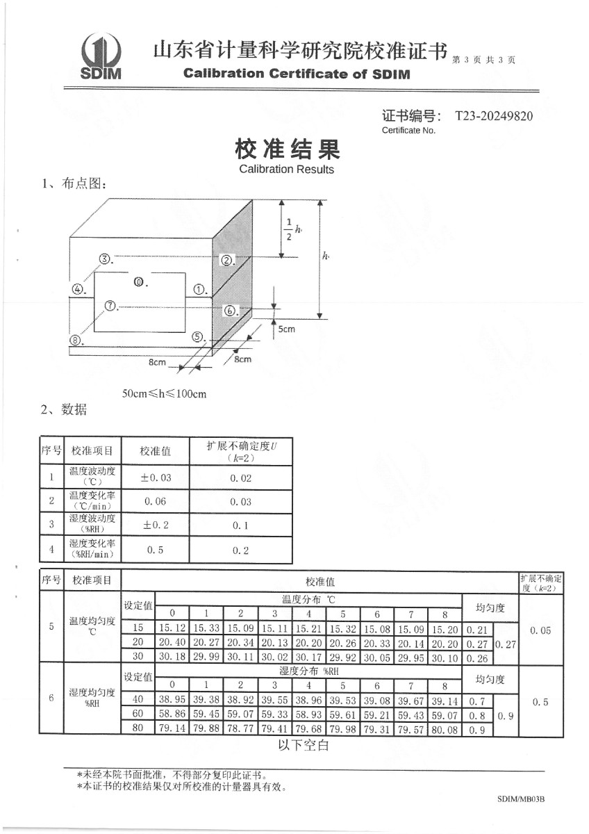
溫濕度檢定箱(-20~70℃)校準證書

溫濕度檢定箱(-20~70℃)校準證書 2024-7-20 本文被閱讀 8373 次
上一條:熱電偶用補償導線S分度檢測報告下一條:DY-HT2M-C高溫面源黑體爐(100mm)

聯(lián)系我們

德美二維碼泰安德美機電設備有限公司

南方服務熱線:0538-6518016

北方服務熱線:0538-6518018

地址:泰安市泰山區(qū)省莊鎮(zhèn)年華南街98號A8棟

傳真:0538-6518017

網址:m.ywyonghong.com

泰安德美機電設備有限公司                          魯ICP備14019246號-4             公示信息

魯公網安備 37090202001246號